| YCMP-Wärtsilä RT-flex50-D | IMO Tier II/Tier III (SCR) | |||||||||||||||
| 气缸直径 Cylinder bore | 500 mm | |||||||||||||||
| 活塞行程 Piston stroke | 2050 mm | |||||||||||||||
| 转速 Speed | 95–124 rpm | |||||||||||||||
| R1点的平均有效压力 Mean effective pressure at R1 | 21.0 bar | |||||||||||||||
| 行程/缸径 Stroke / bore | 4.10 | |||||||||||||||
| 额定功率、主要尺寸和重量 Rated power, principal dimensions and weights | ||||||||||||||||
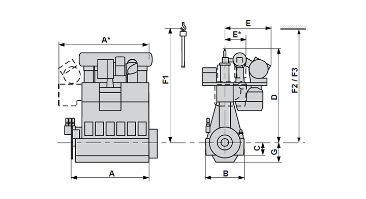
| Cyl. | Output in kW at | Length A mm |
Length A* mm |
Weight tonnes | ||||||||||||
| 124 rpm | 95 rpm | |||||||||||||||
| R1 | R2 | R3 | R4 | |||||||||||||
| 5 | 8 725 | 6 650 | 6 700 | 5 100 | 5 576 | 6 793 | 200 | |||||||||
| 6 | 10 470 | 7 980 | 8 040 | 6 120 | 6 456 | 7 670 | 225 | |||||||||
| 7 | 12 215 | 9 310 | 9 380 | 7 140 | 7 336 | 255 | ||||||||||
| 8 | 13 960 | 10 640 | 10 720 | 8 160 | 8 216 | 280 | ||||||||||
| Dimensions (mm) |
B | C | D | E | E* | |||||||||||
| 3 150 | 1 088 | 7 646 | 3 570 | 1 900 | ||||||||||||
| F1 | F2 | F3 | G | |||||||||||||
| 9 270 | 9 270 | 8 800 | 1 636 | |||||||||||||
| 单位油耗 Brake specific fuel consumption (BSFC) in g/kWh | ||||||||||||||||
| Full load | ||||||||||||||||
| Rating point | R1 | R2 | R3 | R4 | ||||||||||||
| BMEP, bar | 21.0 | 16.0 | 21.0 | 16.0 | ||||||||||||
| BSFC | Standard Tuning | 169 | 163 | 169 | 163 | |||||||||||
| Part load,% of R1 | 85 | 70 | 85 | 70 | 60 | |||||||||||
| Tuning variant | Standard | Standard | Delta | Delta | Low-Load | |||||||||||
| BSFC | 165.4 | 165.0 | 164.7 | 163.5 | 161.2 | |||||||||||
| F1: 垂直拆卸活塞时的最低高度 Min height for vertical removal F2: 使用双臂式吊车垂直拆卸活塞时的最低高度 Min height for vertical removal with double-jib crane F3: 使用双臂式吊车倾斜拆卸活塞时的最低高度 Min height for tilted removal with double-jib crane |
||||||||||||||||
