| YCMP-Wärtsilä RT-flex50DF | IMO Tier III in gas mode | ||||||||||||||
| 气缸直径 Cylinder bore | 500mm | ||||||||||||||
| 活塞行程 Piston stroke | 2050mm | ||||||||||||||
| 转速 Speed | 99–124rpm | ||||||||||||||
| R1点的平均有效压力 Mean effective pressure at R1 | 17.3 bar | ||||||||||||||
| 行程/缸径 Stroke/bore | 4.10 | ||||||||||||||
| 额定功率、主要尺寸和重量 Rated power, principal dimensions and weights | |||||||||||||||
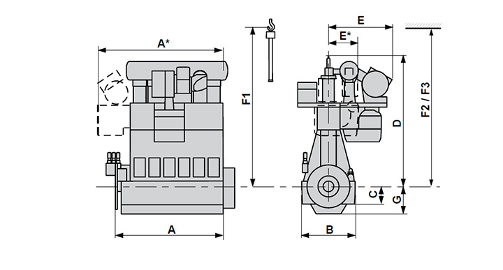
| Cyl. | Output in kW at | Length A (mm) | Length A* (mm) | Weight tonnes | |||||||||||
| 124 rpm | 124 rpm | 99 rpm | 99 rpm | ||||||||||||
| R1 | R2 | R3 | R4 | ||||||||||||
| 5 | 7 200 | 6 000 | 5 750 | 4 775 | 5 576 | 6 793 | 200 | ||||||||
| 6 | 8 640 | 7 200 | 6 900 | 5 730 | 6 456 | 7 670 | 225 | ||||||||
| 7 | 10 080 | 8 400 | 8 050 | 6 685 | 7 336 | 255 | |||||||||
| 8 | 11 520 | 9 600 | 9 200 | 7 640 | 8 216 | 280 | |||||||||
| Dimensions (mm) |
B | C | D | E | E* | ||||||||||
| 3 150 | 1 088 | 7 646 | 3 570 | 1 900 | |||||||||||
| F1 | F2 | F3 | G | ||||||||||||
| 9 270 | 9 250 | 8 700 | 1 636 | ||||||||||||
| 燃气模式下单位油耗和气耗 Brake specific consumptions in gas mode | |||||||||||||||
| Rating point | R1 | R2 | R3 | R4 | |||||||||||
| BSEC (energy) | kJ/kWh | 7 125 | 7 177 | 7 122 | 7 178 | ||||||||||
| BSGC (gas) | g/kWh | 140.8 | 141.5 | 140.3 | 141.0 | ||||||||||
| BSPC (pilot fuel) | g/kWh | 2.0 | 2.4 | 2.5 | 3.0 | ||||||||||
| 燃油模式单位油耗 Brake specific fuel consumption in diesel mode | |||||||||||||||
| Rating point | R1 | R2 | R3 | R4 | |||||||||||
| BSFC (diesel) | g/kWh | 182.3 | 182.3 | 182.3 | 182.3 | ||||||||||
| F1: 垂直拆卸活塞时的最低高度 Min height for vertical removal F2: 使用双臂式吊车垂直拆卸活塞时的最低高度 Min height for vertical removal with double-jib crane F3: 使用双臂式吊车倾斜拆卸活塞时的最低高度 Min height for tilted removal with double-jib crane |
|||||||||||||||
